Préampli 4 Entrèes dont phono avec correcteur baxandall.
Voici quelques temps, j’ai eu la chance de réparer deux blocs mono McIntosh MC60 récupérés par un ami. Cette réparation fera plus tard l’objet d’un article. Seules, ces deux magnifiques machines sonnaient à merveille mais pour bien les exploiter un préampli était nécessaire.
Implantation interne des composants:

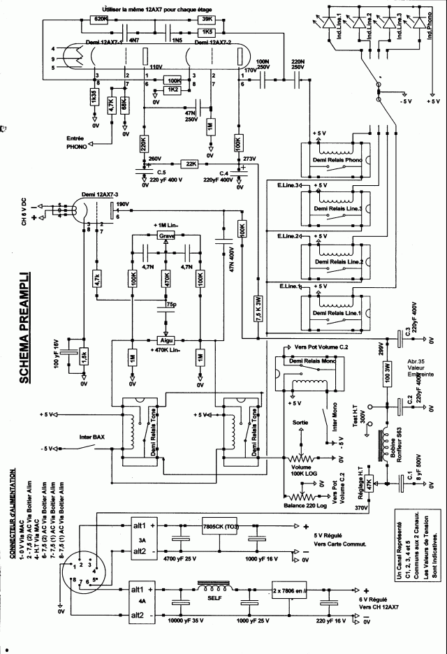
Le schéma :

Au départ toutes les alimentations devaient être prise sur les MAC MC60. Afin d’obtenir le meilleur rapport signal bruit, j’ai dû réaliser un boitier séparé pour l’alimentation des filaments de chauffe et de la commutation.
Cordon de liaison entre le préampli, le Mac e le boitier d’alim :

Le boitier d’alim pour la commutation et le chauffage des tubes:



Etude de l’implantation, il faut définir les dimensions du châssis.

Montage des composants terminés, vu avant, arrière et interne.


Implantation des composant avant le câblage.

Chauffage, masse en étoile et Baxandall câblés.

12AX7 du Baxandall et préampli Phono câblés

A ce niveau le câblage est quasi terminé mais il a fallu renforcer le 5 V CC de la commutation.
C’est la petite carte au fond du châssis.

Détail du câblage du Baxandall.

Détail du câblage du préampli phono. C’est le même que celui décrit dans les articles précédent mais les condensateurs de filtrage sont à l’extérieur de la carte.


Détail du câblage de la carte commutation des entrées .


Alim 12 V CC du chauffage des tubes. Un filtre en PY après le pont de diode…

… Et deux régulateurs 7806 en parallèle bien refroidis.


Prise et potentiomètre pour le réglage de la haute tension à 300 V. Cette dernière est reprise sur un des Mac Intoch MC60.

Pour terminer, voici un diaporama du câblage terminé:
A SUIVRE : Dépannage deux blocs mono McIntoch MC60…
J’ai suivi !! 😉
Bizz et belle fin d’hiver à toi , ami Raph !